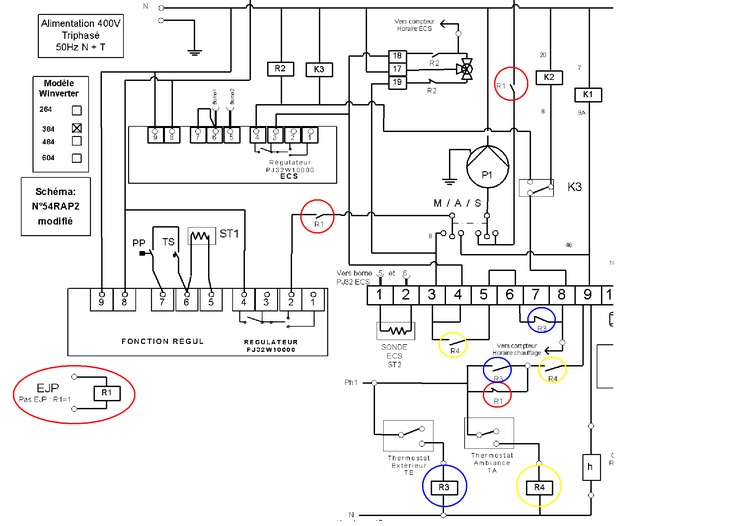
Pompe à chaleur et ejp Pompe à chaleur et ejp Source google image: http://www.chaleurterre.com/forum/images/uploads/valery01/schema_modifi__2_partie_ejp_cercle_140.jpg